在LED電源的保護電路設計過程中,過壓保護電路的設置是必不可少的,能夠有效的保障整個電源系統的正常運行。在今天的文章中,我們將會就LED電源過壓保護電路的作用,進行簡要介紹,同時還會為各位工程師們分享一種有效的過壓保護電路設置方案。
在LED電源的設計過程中,目前國內大多數的電源系統均采用恒流驅動方案。就穩流型電源來看,若負載發生斷路,電流檢測電阻兩端的電壓下降到零,一旦給定值不為零,調節器會使得輸出電壓急劇飆升至最大值,這對負載連接接觸不良時是很危險的。對LED、半導體制冷等負載來說,過壓發生時,最緊要的任務是保護負載,其次是保護開關功率管。
為了有效的保護負載和開關功率管,在LED電源電路的設置過程中,我們有兩種保護方法可以同時使用,一是放置雙向TVS來實現對瞬間沖擊電壓的防護,另外一種辦法就是當負載斷路時讓電源立即停止工作。
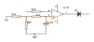
首先來看第一種LED電源過壓保護措施。眾所周知,TVS是一種二極管形式的高效能保護器件。當TVS二極管的兩極受到反向瞬態高能量沖擊時,它能以納秒級的速度,將其兩極間的高阻抗變為低阻抗,吸收高達數千瓦的浪涌功率,使兩極間的電壓箝位于一個預定值,有效地保護電子線路中的元器件免受各種浪涌脈沖損壞。還可將電阻與TVS串聯,當TVS未擊穿時,電阻上沒有電流,若發生過壓,TVS被擊穿,電阻上有電流流過,產生壓降,以此作為保護信號,送到PWM芯片的shutdown端,封鎖PWM脈沖輸出。第二種方法的設置情況,如下圖所示:

圖為LED電源過壓保護電路
從上面的LED電源過壓保護電路設置圖中我們可以看到,在該系統中,R24和R27給運放同相輸入端提供固定的小電壓U+。R26為取樣的負載電流輸入。當負載發生斷路時,運放反相輸入端電壓U-=0,因而U+>U-,運放輸出電壓為高電平,給出空載保護信號。同時將時間常數R30×C15與電源給定的時間常數配合調節,使得空載保護不發生誤動作。
上一篇:LED防水電源防護等級的介紹
下一篇: 電源適配器廠家分享:安規基礎知識